OEM Penebat kaca RF Supplier

Penebat kaca RF

Penerangan:

Penebat kaca menggunakan struktur sintering kaca dengan prestasi pengedap yang baik. Mereka boleh digunakan dengan penyambung gelombang milimeter seperti SMA dan 2.92, dan juga boleh digunakan secara langsung di antara papan PCB, templat, dan templat dan komponen. Ia menggunakan kaca (pemalar dielektrik adalah kira -kira 4.0) sebagai bahan sederhana penebat, dan konduktor dalaman dan luar diperbuat daripada bahan aloi Kovar. Selepas sintering suhu tinggi, permukaannya bersalut nikel dengan emas. Penebat kaca mempunyai kelebihan saiz kecil, berat ringan, ketabahan, dan kebolehpercayaan yang tinggi. Mereka kebanyakannya digunakan pada masa -masa dengan keperluan pengedap, atau keperluan untuk jumlah produk dan berat. Mereka sesuai untuk pemasangan intensif. Konduktor dalaman boleh dihubungkan dengan pelbagai cara, seperti pemalam, pelekap permukaan, kimpalan, dan ikatan kawat emas.

Bertanya

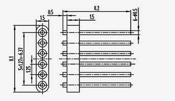
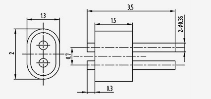
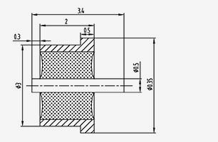
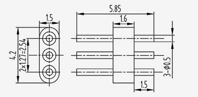
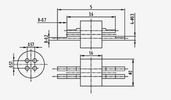
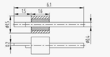
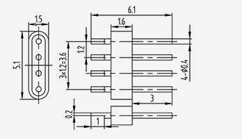
Struktur Asas:
Penebat kaca biasanya terdiri daripada tiga bahagian: konduktor luar, konduktor medium dan dalaman kaca, dan struktur asasnya ditunjukkan dalam angka berikut.

Spesifikasi Teknikal dan Ujian Kebolehpercayaan:

Ciri -ciri elektrik
Impedans ciri 50Ω atau yang lain Julat kekerapan DC ~ 65GHz
Dielektrik bertahan voltan ≥500V Rintangan penebat ≥5000m Ω
Rintangan Hubungi Konduktor dalaman ≤3m Ω Voltan VSWR (50Ω) ≤ 1.05 0.008F (F: GHZ)
Konduktor luar ≤2m Ω Kehilangan penyisipan RF (50Ω) ≤0.05 √ F (F: GHZ)
Bahan dan mekanikal, sifat alam sekitar
Konduktor luar Aloi yang boleh dielakkan Kadar kebocoran udara 1.01*10 -9 Pa.M 3 /S
Konduktor dalaman Aloi degradasi Suhu operasi -65 ~ 165
Medium penebat Kaca

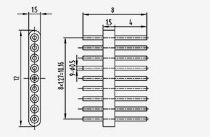
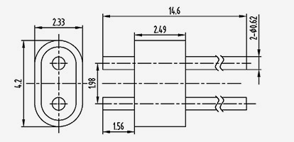
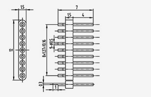
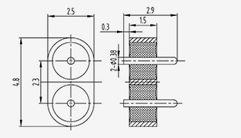
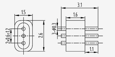
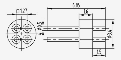
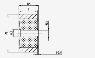
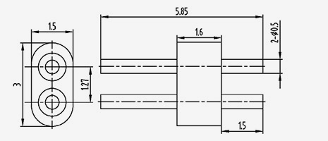
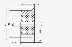
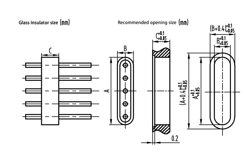
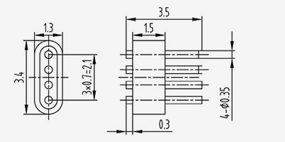
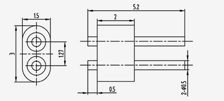
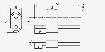
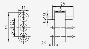
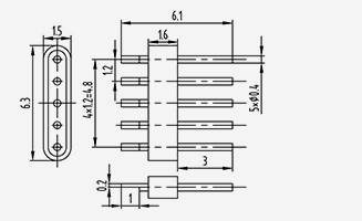
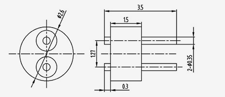
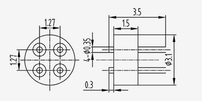
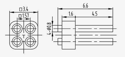
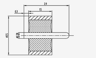
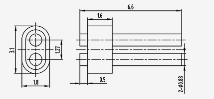
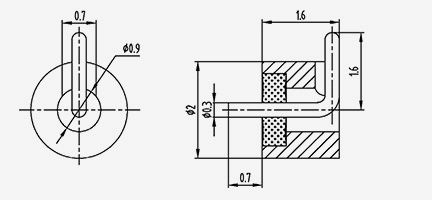
Dimensi pemasangan yang disyorkan untuk penebat kaca
Dimensi pembukaan pemasangan yang disyorkan untuk penebat kaca teras tunggal ditunjukkan di bawah:

Dimensi pembukaan pemasangan yang disyorkan untuk penebat kaca berbilang teras ditunjukkan di bawah:

Ujian Prestasi Elektrik Penebat Kaca:
50 ohm ciri -ciri impedans kaca penebat kaca dengan SMA standard, 2.92, 2.4, dan lain -lain. Penyambung gelombang milimeter dikawinkan di kedua -dua hujung untuk ujian prestasi elektrik.

RF SERIES
  • 50Ω Ciri-ciri Impedance-Single Core Round Head
    50Ω Ciri-ciri Impedance-Single Core Round Head
    Model Saiz (mm)
    A B C D E
    HS1710-0.23 (2.8-0.3) 1.73 1 0.23 2.8 0.3
    HS1710-0.23 (6.2-2.7) 1.73 1 0.23 6.2 2.7
    HS1710A 1.73 1 0.23 3 1
    HS1714-0.23 (2-0.3) 1.73 1.4 0.23 2 0.3
    V1714-0.23 (2.69-0.5) 1.73 1.4 0.23 2.7 0.5
    V1714-0.23 (3.9-1.7) 1.73 1.4 0.23 3.9 1.7
    V1714-0.23 (4.5-1.7) 1.73 1.4 0.23 4.5 1.7
    HS1714-0.23 (3-1.1) 1.73 1.4 0.23 3 1.1
    HSI714E 1.73 1.4 0.23 2.9 1
    HS1714F 1.73 1.4 0.23 2.79 0.9
    HS1715-0.23 (3.2-0.8) 1.73 1.5 0.23 3.2 0.8
    HS1716A 1.73 1.65 0.23 3.4 1
    V1719-0.23 (5.0-1.7) 1.73 1.9 0.23 5 1.7
    V1720-0.23 (3.3-0.5) 1.73 2 0.23 3.3 0.5
    HS1720-0.23 (3.7-1.2) 1.73 2 0.23 3.7 1.2
    V1720-0.23 (4.0-1.0) 1.73 2 0.23 4 1
    HS1720-0.23 (6-2) 1.73 2 0.23 6 2
    V1724-0.23 (3.7-0.5) 1.73 2.4 0.23 3.7 0.5
    HS1724-0.23 (4.5-1.7) 1.73 2.4 0.23 4.5 1.7
  • 50Ω Ciri-ciri Impedans-Single Core Round Head
    50Ω Ciri-ciri Impedans-Single Core Round Head
    Model Saiz (mm)
    A B C D E
    V1727-0.23 (4.0-0.5) 1.73 2.7 0.23 4 0.5
    HS1727A 1.73 2.7 0.23 4.7 1
    HS1728-0.23 (4-0.5) 1.73 2.8 0.23 4 0.5
    HS1730-0.23 (4.3-0.5) 1.73 3 0.23 4.3 0.5
    V1730-0.23 (5.0-1.0) 1.73 3 0.23 5 1
    HS1734-0.23-01 1.73 3.4 0.23 5.2 1
    HS1744-0.23-01 1.73 4.4 0.23 6.2 1
    HS1749-0.23 (8.9-2.0) 1.73 4.9 0.23 8.9 2
    HS1751A 1.73 5.1 0.23 5.9 0.4
    HS1756-0.23 (6.6-0.5) 1.73 5.6 0.23 6.6 0.5
    HS1914-0.3 (2.55-0.35) 1.9 1.4 0.3 2.55 0.35
    HS1914-0.3 (3.2-1.1) 1.9 1.4 0.3 3.2 1.1
    HS1914C 1.9 1.4 0.3 3.6 0.7
    HS1914-0.3 (4.4-2) 1.9 1.4 0.3 4.4 2
    HS1914-0.3 (3.2-1.1) 1.9 1.4 0.3 3.2 1.1
    HS1914-0.3 (3.8-1.2) 1.9 1.4 0.3 3.8 1.2
    HS1914-0.3 (4.4-2) 1.9 1.4 0.3 4.4 2
    HS1916-0.3 (4.7-0.8) 1.9 1.6 0.3 4.7 0.8
    HS1916B 1.9 1.6 0.3 4.9 0.8
  • 50Ω Ciri-ciri Impedance-Single Core Round Head
    50Ω Ciri-ciri Impedance-Single Core Round Head
    Model Saiz (mm)
    A B C D E
    HS1917-0.3 (3.45-1) 1.9 1.75 0.3 3.45 1
    HS1918-0.3 (5.8-2) 1.9 1.8 0.3 5.8 2
    HS1918-0.3 (7.8-4.2) 1.9 1.8 0.3 7.8 4.2
    HS1918-0.3 (3.5-1) 1.95 1.8 0.3 3.5 1
    HS1934-0.3 (4.6-0.4) 1.9 3.4 0.3 4.6 0.4
    HS2006-0.3 (3.2-2) 2 0.6 0.3 3.2 2
    HS2008-0.3 (1.32-0.26) 2 0.8 0.3 1.32 0.26
    HS2008F 2 0.8 0.3 1.7 0.45
    HS2008-0.3 (1.8-0.3) 2 0.8 0.3 1.8 0.3
    HS2008-0.3 (2.8-1.0) 2 0.8 0.3 2.8 1
    HS2008-0.3 (3.0-1.5) 2 0.8 0.3 3 1.5
    HS2008-0.3 (3.4-0.8) 2 0.8 0.3 3.4 0.8
    HS2008-0.3 (3.6-1.2) 2 0.8 0.3 3.6 1.2
    HS2008-0.3 (5.4-2.6) 2 0.8 0.3 5.4 2.6
    HS2008-0.3 (6-2.6) 2 0.8 0.3 6 2.6
    HS2010-0.3 (2.1-0.7) 2 1 0.3 2.1 0.7
    HS2010-0.3 (2.5-1) 2 1 0.3 2.5 1
    HS2010-0.3 (3.2-1.2) 2 1 0.3 3.2 1.2
    HS2011-0.3 (2.1-0.5) 2 1.1 0.3 2.1 0.5
  • 50Ω Ciri-ciri Impedans-Single Core Round Head
    50Ω Ciri-ciri Impedans-Single Core Round Head
    Model Saiz (mm)
    A B C D E
    HS2012A 2 1.2 0.3 3.5 1.2
    HS2012-0.3 (6-1.8) 2 1.2 0.3 6 1.8
    HS2012-0.3 (6.7-1.5) 2 1.2 0.3 6.7 1.5
    HS2013-0.3 (2.3-0.5) 2 1.3 0.3 2.3 0.5
    HS2014-0.3 (1.92-0.26) 2 1.4 0.3 1.92 0.26
    HS2014-0.3 (2.12-0.36) 2 1.4 0.3 2.12 0.36
    HS2014-0.3 (2.4-0.5) 2 1.4 0.3 2.4 0.5
    HS2014D 2 1.4 0.3 3.1 0.45
    HS2014-0.3 (4.4-1.5) 2 1.4 0.3 4.4 1.5
    HS2014-0.3 (4.4-1) 2 1.4 0.3 4.4 1
    HS2014-0.3 (4.55-1.5) 2 1.4 0.3 4.55 1.5
    HS2014-0.3 (4.65-1.5) 2 1.4 0.3 4.65 1.5
    HS2014-0.3 (5.5-1.9) 2 1.4 0.3 5.5 1.9
    HS2014-0.3 (5.7-1.8) 2 1.4 0.3 5.7 1.8
    HS2014-0.3 (8.0-4.6) 2 1.4 0.3 8 4.6
    HS2014-0.3 (8-1.9) 2 1.4 0.3 8 1.9
    HS2015-0.3 (3.25-0.75) 2 1.5 0.3 3.25 0.75
    HS2016-0.3 (2.7-0.7) 2 1.6 0.3 2.7 0.7
    HS2016-0.3 (2.8-0.5) 2 1.6 0.3 2.8 0.5
  • 50Ω Ciri-ciri Impedans-Single Core Round Head
    50Ω Ciri-ciri Impedans-Single Core Round Head
    Model Saiz (mm)
    A B C D E
    HS2016-0.3 (3.5-1.2) 2 1.6 0.3 3.5 1.2
    HS2016-0.3 (3.6-1) 2 1.6 0.3 3.6 1
    HS2016-0.3 (3.9-0.4) 2 1.6 0.3 3.9 0.4
    HS2016E 2 1.6 0.3 3.9 0.6
    HS2016-0.3 (4.1-1) 2 1.6 0.3 4.1 1
    HS2016-0.3 (4.2-0.8) 2 1.6 0.3 4.2 0.8
    HS2016-0.3 (4.6-1.2) 2 1.6 0.3 4.6 1.2
    HS2016-0.3 (4.6-1.8) 2 1.6 0.3 4.6 1.8
    KA2016-0.3 (5-2.9) 2 1.6 0.3 5 2.9
    HS2016-0.3 (5.2-1.8) 2 1.6 0.3 5.2 1.8
    HS2016-0.3 (8.0-4.6) 2 1.6 0.3 8 4.6
    HS2016-0.3 (8-1.8) 2 1.6 0.3 8 1.8
    HS2016-0.3 (12-2.4) 2 1.6 0.3 12 2.4
    HS2016-0.3 (20.4-4.6) 2 1.6 0.3 20.4 4.6
    HS2017-0.3 (3.3-0.8) 2 1.7 0.3 3.3 0.8
    HS2017-0.3 (8.5-2.0) 2 1.7 0.3 8.5 2
    HS2018-0.3 (3.5-1) 2 1.8 0.3 3.5 1
    HS2019-0.3-01 2 1.9 0.3
    HS2020-0.3 (3.4-0.4) 2 2 0.3 3.4 0.4
  • 50Ω Ciri-ciri Impedans-Single Core Round Head
    50Ω Ciri-ciri Impedans-Single Core Round Head
    Model Saiz (mm)
    A B C D E
    HS2020-0.3 (3.8-0.8) 2 2 0.3 3.8 0.8
    HS2020-0.3 (5.6-2.8) 2 2 0.3 5.6 2.8
    HS2020-0.3 (5.7-2.9) 2 2 0.3 5.7 2.9
    HS2020-0.3 (6-2) 2 2 0.3 6 2
    HS2020-0.3 (12-5) 2 2 0.3 12 5
    HS2022F 2 2.2 0.3 3.1 0.45
    HS2022-0.3 (3.2-0.7) 2 2.2 0.3 3.2 0.7
    HS2023-0.3 (3.35-0.7) 2 2.3 0.3 3.35 0.7
    HS2023-0.3 (3.7-0.7) 2 2.3 0.3 3.7 0.7
    HS2025-0.3 (4.8-0.9) 2 2.5 0.3 4.8 0.9
    HS2025-0.3 (6-1.5) 2 2.5 0.3 6 1.5
    HS2025-0.38 (7.4-1.4) 2 2.5 0.38 7.4 1.4
    HS2026.5-0.3-01 2 2.6 5 0.3 0.1
    HS2028-0.3 (4.9-0.5) 2 2.8 0.3 4.9 0.5
    HS2029-0.3 (4.1-0.8) 2 2.9 0.3 4.1 0.8
    HS2029-0.3 (4.9-0.5) 2 2.9 0.3 4.9 0.5
    HS2030-0.3 (5.2-1.5) 2 3 0.3 5.2 1.5
    HS2030-0.3 (5.8-1) 2 3 0.3 5.8 1
    HS2030-0.3 (8-2) 2 3 0.3 8 2
  • 50Ω Ciri-ciri Impedance-Single Core Round Head
    50Ω Ciri-ciri Impedance-Single Core Round Head
    Model Saiz (mm)
    A B C D E
    HS2030-0.3 (9-1.5) 2 3 0.3 9 1.5
    HS2034-0.3 (4.4-0.7) 2 3.4 0.3 4.4 0.7
    HS2035-0.3 (6.6-1.8) 2 3.5 0.3 6.6 1.8
    HS2035-0.3 (6.65-1.3) 2 3.5 0.3 6.65 1.3
    HS2035-0.3 (7.1-1.3) 2 3.5 0.3 7.1 1.3
    HS2035-0.3 (9.5-3) 2 3.5 0.3 9.5 3
    HS2036-0.3 (5.7-0.7) 2 3.6 0.3 5.7 0.7
    HS2040A 2 4 0.3 5.1 0.8
    HS2045-0.7 (11.5-2) 2 4.5 0.7 11.5 2
    HS2050-0.3 (6.4-0.7) 2 5 0.3 6.4 0.7
    HS2507-0.38 (2.2-0.3) 2.5 0.7 0.38 2.2 0.3
    HS2508-0.38 (1.8-0.3) 2.5 0.8 0.38 1.8 0.3
    HS2508-0.38 (2-0.5) 2.5 0.8 0.38 2 0.5
    HS2510-0.38 (3.6-1.3 ) 2.5 1 0.38 3.6 1.3
    HS2510-0.38 (7-3) 2.5 1 0.38 7 3
    HS2511-0.38 (2..4-0.5) 2.5 1.1 0.38 2.4 0.5
    HS2511-0.38 (3.7-0.6) 2.5 1.1 0.38 3.7 0.6
    HS2512-0.38 (3.1-0.8) 2.5 1.1 0.38 3.7 0.6
    HS4414-0.3 (3.2-1.1) 4.4 1.4 0.3 3.2 1.1
  • 50Ω Ciri-ciri Impedance-Single Core Round Head
    50Ω Ciri-ciri Impedance-Single Core Round Head
    Model Saiz (mm)
    A B C D E
    HS2516-0.3 (7.5-2.14) 2.5 1.6 0.3 7.5 2.14
    HS2516-0.3 (8-1.8) 2.5 1.6 0.3 8 1.8
    HS2516-0.38 (3.5-0.7) 2.5 1.6 0.38 3.5 0.7
    HS2516-0.38 (4.1-1.25) 2.5 1.6 0.38 4.1 1.25
    HS2516-0.38 (4.3-1.2) 2.5 1.6 0.38 4.3 1.2
    KA2511-0.38 (2.7-1.0) 2.5 1.1 0.38 2.7 1
    KA2516-0.38 (2.9-0.3) 2.5 1.6 0.38 2.9 0.3
    K2516-0.38 (4-1.5) 2.5 1.6 0.38 4 1.5
    HS2516-0.38 (4.5-1.2) 2.5 1.6 0.38 4.5 1.2
    HS2516-0.38 (4.6-1) 2.5 1.6 0.38 4.6 1
    HS2516E 2.5 1.6 0.38 4.6 1.5
    HS2516G 2.5 1.6 0.38 4.6 1.5
    HS2516-0.38 (4.8-1.2) 2.5 1.6 0.38 4.8 1.2
    HS2516-0.38 (4.9-1.5) 2.5 1.6 0.38 4.9 1.5
    HS2516-0.38 (5.1-1.6) 2.5 1.6 0.38 5.1 1.6
    HS2516-0.38 (5.3-1.2) 2.5 1.6 0.38 5.3 1.2
    KA2516-0.38 (5.6-3.0) 2.5 1.6 0.38 5.6 3
    HS2516-0.38 (6.1-1.3) 2.5 1.6 0.38 6.1 1.3
    HS2516-0.38 (7.1-1.4) 2.5 1.6 0.38 7.1 1.4
  • 50Ω Ciri-ciri Impedans-Single Core Round Head
    50Ω Ciri-ciri Impedans-Single Core Round Head
    Model Saiz (mm)
    A B C D E
    HS2516-0.38 (7.41-1.27) 2.5 1.6 0.38 7.41 1.27
    HS2516F 2.5 1.6 0.38 7.45 4.55
    HS2516-0.38-01 2.5 1.6 0.38 7.5 1.3
    HS2516-0.38 (8-1.8) 2.5 1.6 0.38 8 1.8
    RF2516-0.38 (8-4.6) 2.5 1.6 0.38 8 4.6
    HS2516-0.38 (8-5) 2.5 1.6 0.38 8 5
    K2516-0.38 (8-1.5) 2.5 1.6 0.38 8 1.5
    K2516-0.38 (8-5.9) 2.5 1.6 0.38 8 5.9
    HS2516-0.38 (11.6-5) 2.5 1.6 0.38 11.6 5
    HS2516-0.38 (12-2.0) 2.5 1.6 0.38 12 2
    HS2520-0.38 (6-2) 2.5 2 0.38 6 2
    HS2520-0.38 (7.4-1.4) 2.5 2 0.38 7.4 1.4
    HS2520-0.38 (7.8-1.4) 2.5 2 0.38 7.8 1.4
    HS2520-0.38 (9.0-2.0) 2.5 2 0.38 9 2
    HS2520-0.38 (12-5) 2.5 2 0.38 12 5
    HS2520-0.38 (15-2) 2.5 2 0.38 15 2
    HS2524-0.38 (5.7-1.1) 2.5 2.4 0.38 5.7 1.1
    HS2526-0.38 (6.6-2) 2.5 2.6 0.38 6.6 2
    HS2530-0.38 (3.6-0.3) 2.5 3 0.38 3.6 0.3
  • 50Ω Ciri-ciri Impedans-Single Core Round Head
    50Ω Ciri-ciri Impedans-Single Core Round Head
    Model Saiz (mm)
    A B C D E
    KA2530-0.38 (4.6-1.0) 2.5 3 0.38 4.6 1
    HS2530A 2.5 3 0.38 5 1
    HS2530-0.38 (7.5-1.5) 2.5 3 0.38 7.5 1.5
    HS2530-0.38 (8-0.4) 2.5 3 0.38 8 0.4
    HS2530-0.38 (8-2) 2.5 3 0.38 8 2
    HS2530-0.38 (9-3) 2.5 3 0.38 9 3
    HS2530-0.38 (12-2.2) 2.5 3 0.38 12 2.2
    HS2530-0.38 (13.9-8.2) 2.5 3 0.38 13.9 8.2
    HS2530-0.38 (20-4) 2.5 3 0.38 20 4
    HS2533-0.38 (6.5-1.2) 2.5 3.3 0.38 6.5 1.2
    HS2535-0.38 (7.5-2) 2.5 3.5 0.38 7.5 2
    HS2537-0.38 (7.7-2) 2.5 3.7 0.38 7.7 2
    HS2540-0.38 (11-1.8) 2.5 4 0.38 11 1.8
    HS2545-0.38 (8-1.3) 2.5 4.5 0.38 8 1.3
    HS2550-0.38 (6.9-1.5) 2.5 5 0.38 6.9 1.5
    HS2550-0.38 (11-2) 2.5 5 0.38 11 2
    HS2558-0.38 (14.8-6) 2.5 5.8 0.38 14.8 6
    HS2575-0.38 (12-1.3) 2.5 7.5 0.38 12 1.3
    HS2810-0.45 (3.3-0.35) 2.8 1 0.45 3.3 0.35
  • 50Ω Ciri-ciri Impedans-Single Core Round Head
    50Ω Ciri-ciri Impedans-Single Core Round Head
    Model Saiz (mm)
    A B C D E
    HS2815-0.45 (5.75-1.25) 2.8 1.5 0.45 5.75 1.25
    HS2816-0.45 (4.6-1.5) 2.8 1.6 0.45 4.6 1.5
    HS2816-0.45 (4.9-1.8) -R 2.8 1.6 0.45 4.9 1.8
    HS2816-0.45 (5.1-1.5) 2.8 1.6 0.45 5.1 1.5
    HS2816-0.45 (5.2-1.1) 2.8 1.6 0.45 5.2 1.1
    HS2816-0.45 (5.4-2) 2.8 1.6 0.45 5.4 2
    HS2816-0.45 (5.6-2) 2.8 1.6 0.45 5.6 2
    HS2816-0.45 (6.2-1.8) 2.8 1.6 0.45 6.2 1.8
    HS2816-0.45 (8.0-4.6) 2.8 1.6 0.45 8 4.6
    HS2816-0.45 (8-1.8) 2.8 1.6 0.45 8 1.8
    HS2816-0.45 (11.6-5) 2.8 1.6 0.45 11.6 5
    HS2816-0.45 (12-3.0) 2.8 1.6 0.45 12 3
    HS2831-0.45 (5.2-1.8) 2.8 3.1 0.45 5.2 1.8
    HS2843-0.45 (8.3-2) 2.8 4.3 0.45 8.3 2
    HS3015-0.5 (4.3-0.8) 3 1.5 0.5 4.3 0.8
    HS3016-0.5 (3.4-0.9) 3 1.6 0.5 3.4 0.9
    HS3016-0.5 (4.6-1) 3 1.6 0.5 4.6 1
    HS3016-0.5 (4.6-1.5) 3 1.6 0.5 4.6 1.5
    HS3016B 3 1.6 0.38 4.9 1.8
  • 50Ω Ciri-ciri Impedans-Single Core Round Head
    50Ω Ciri-ciri Impedans-Single Core Round Head
    Model Saiz (mm)
    A B C D E
    HS3016-0.5 (5.6-2) 3 1.6 0.5 5.6 2
    HS3016C 3 1.6 0.5 6.6 2
    HS3016-0.5 (6.6-2.5) 3 1.6 0.5 6.6 2.5
    HS3016-0.5 (7.5-2) 3 1.6 0.5 7.5 2
    HS3016-0.5 (7.5-3.9) 3 1.6 0.5 7.5 3.9
    HS3016-0.5 (7.8-2.0) 3 1.6 0.5 7.8 2
    HS3016-0.5 (9.65-3.05) 3 1.6 0.5 9.65 3.05
    HS3016-0.5 (12-5.0) 3 1.6 0.5 12 5
    HS3016-0.5 (14.3-1.5) 3 1.6 0.5 14.3 1.5
    HS3020-0.5 (5-1.8) 3 2 0.5 5 1.8
    HS3020-0.5 (6.0-1.5) 3 2 0.5 6 1.5
    HS3020-0.5 (6.5-2.2) 3 2 0.5 6.5 2.2
    HS3020-0.5 (6.5-2.3) 3 2 0.5 6.5 2.3
    HS3020-0.5 (6.8-1.8) 3 2 0.5 6.8 1.8
    HS3020-0.5 (7.5-2.2) 3 2 0.5 7.5 2.2
    HS3020-0.5 (8-2) 3 2 0.5 8 2
    HS3020-0.5 (8.5-2.2) 3 2 0.5 8.5 2.2
    HS3020-0.5 (8.5-4.3) 3 2 0.5 8.5 4.3
    HS3020-0.5 (10-4) 3 2 0.5 10 4
  • 50Ω Ciri-ciri Impedance-Single Core Round Head
    50Ω Ciri-ciri Impedance-Single Core Round Head
    Model Saiz (mm)
    A B C D E
    HS3020-0.5 (10-1.5) 3 2 0.5 10 1.5
    HS3020-0.5 (12-4.0) 3 2 0.5 12 4
    HS3020-0.5 (12-5.0) 3 2 0.5 12 5
    HS3020-0.5 (12-6) 3 2 0.5 12 6
    HS3020-0.5 (15-2) 3 2 0.5 15 2
    HS3025-0.5 (5.4-1.2) 3 2.5 0.5 5.4 1.2
    HS3030A 3 3 0.38 10 1.5
    HS3030-0.5 (6.5-2) 3 3 0.5 6.5 2
    HS3030-0.5 (6.6-1.8) 3 3 0.5 6.6 1.8
    HS3030-0.5 (7.5-2) -R 3 3 0.5 7.5 2
    HS3030-0.5 (8.8-1.8) 3 3 0.5 8.8 1.8
    HS3030-0.5 (10-2) 3 3 0.5 10 2
    HS3030-0.5 (12-3) 3 3 0.5 12 3
    HS3030-0.5 (12-2) 3 3 0.5 12 2
    HS3030-0.5 (14-4.0) 3 3 0.5 14 4
    HS3035-0.5 (6-1) 3 3.5 0.5 6 1
    HS3035-0.5 (11.5-4) 3 3.5 0.5 11.5 4
    HS3040A 3 4 0.5 10.4 4
    HS3042-0.5 (9.0-2.2) 3 4.2 0.5 9 2.2
  • 50Ω Ciri-ciri Impedans-Single Core Round Head
    50Ω Ciri-ciri Impedans-Single Core Round Head
    Model Saiz (mm)
    A B C D E
    HS3045-0.5 (8.5-2) 3 4.5 0.5 8.5 2
    HS3047-0.5 (9.4-2.2) 3 4.7 0.5 9.4 2.2
    HS3047-0.5 (12-5.1) 3 4.7 0.5 12 5.1
    HS3050-0.5 (9-2) 3 5 0.5 9 2
    HS3052A 3 5.2 0.5 10.3 4
    HS3057-0.5 (12.5-3) 3 5.7 0.5 12.5 3
    HS3620-0.5 (9-2.5) 3.6 2 0.5 9 2.5
    HS3616-0.6 (12.2-1.6) 3.6 1.6 0.6 12.2 1.6
    HS3625-0.6 (6.5-2) 3.6 2.5 0.6 6.5 2
    HS2540-0.8 (27-5) 2.5 4 0.8 27 5
    HS4030A 4 3 1 10.6 4.6
    HS5010-0.8 (5.9-2.45) 5 1 0.8 5.9 2.45
    HS5015-0.8 (7.3-4.9) 5 1.5 0.8 7.3 4.9
    HS5016B 5 1.6 0.8 5.6 2
    HS5016-0.8 (8.6-3.0) 5 1.6 0.8 8.6 3
    HS5030-0.8 (17.2-2) 5 3 0.8 17.2 2
    HS5040-0.8 (12-3) 5 4 0.8 12 3
    HS5060-0.8 (11.5-2.5) 5 6 0.8 11.5 2.5
    HS5065-0.8 (13.7-3) 5 6.5 0.8 13.7 3
  • 50Ω Ciri-ciri Impedans-Single Core Round Head
    50Ω Ciri-ciri Impedans-Single Core Round Head
    Model Saiz (mm)
    A B C D E
    HS5065-0.8 (15.5-3) 5 6.5 0.8 15.5 3
    HS5516-0.9 (8.3-2.8) 5.5 1.6 0.9 8.3 2.8
    HS5516-0.9 (8.5-2.8) 5.5 1.6 0.9 8.5 2.8
    HS5516-0.9 (8.7-2.8) 5.5 1.6 0.9 8.7 2.8
    HS5516-0.9 (8.9-2.8) 5.5 1.6 0.9 8.9 2.8
    HS5516-0.9 (9.1-2.8) 5.5 1.6 0.9 9.1 2.8
    HS5516-0.9 (11.9-2.8) 5.5 1.6 0.9 11.9 2.8
    HS5516-0.9 (12.6-2) 5.5 1.6 0.9 12.6 2
    HS5516-0.9 (13.8-2.8) 5.5 1.6 0.9 13.8 2.8
    HS5525-0.9 (9.7-1.6) 5.5 2.5 0.9 9.7 1.6
    HS5525-0.9 (16-5) 5.5 2.5 0.9 16 5
    HS5530-0.9 (8.8-2.3) 5.5 3 0.9 8.8 2.3
    HS5530-0.9 (9.6-2.3) 5.5 3 0.9 9.6 2.3
    HS5530-0.9 (13.8-2.8) 5.5 3 0.9 13.8 2.8
    HS5530A 5.5 3 1.35 13.5 7.5
    HS5530B 5.5 3 1.35 13.8 7.8
    HS6016-1.0 (8.5-1.5) 6 1.6 1 8.5 1.5
    HS6840-0.9 (7-1.5) 6.8 4 0.9 7 1.5
    HS8330-1.3 (13-5) 8.3 3 1.3 13 5
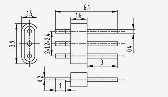
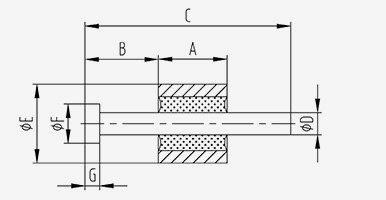
  • Impedans ciri 50Ω - kepala rata teras tunggal
    Impedans ciri 50Ω - kepala rata teras tunggal
    Model Saiz (mm)
    A B C D E
    KA2008-0.3 (1.4-0.3) 2 0.8 0.3 1.4 0.3
    HS2008-0.3 (1.65-0.35) 2 0.8 0.3 1.65 0.35
    KA2008-0.3 (1.8-0.3) 2 0.8 0.3 1.8 0.3
    HS2010-0.3 (1.9-0.35) 2 1 0.3 1.9 0.35
    HS2010-0.3 (2-0.5) 2 1 0.3 2 0.5
    HS2010-0.3 (2.5-0.5) 2 1 0.3 2.5 0.5
    HS2013-0.3 (2.4-0.4) 2 1.3 0.3 2.4 0.4
    HS2014-0.3 (2.6-0.4) 2 1.4 0.3 2.6 0.4
    HS2014E 2 1.4 0.3 2.3 0.45
    HS2014F 2 1.4 0.3 2.35 0.5
    HS2016-0.3-01 2 1.6 0.3 3.1 1
    HS2016-0.3 (3.3-0.7) 2 1.6 0.3 3.3 0.7
    HS2016-0.3-02 2 1.6 0.3 3.3 1
    HS2016-0.3 (5.6-2) 2 1.6 0.3 5.6 2
    HS2019-0.3 (3-0.35) 2 1.9 0.3 3 0.35
    HS2020-0.3-02 2 2 0.3 3.5 0.5
    HS2020-0.3 (3.6-0.8) 2 2 0.3 3.6 0.8
    HS2030-0.3 (4.2-0.7) 2 3 0.3 4.2 0.7
  • 50Ω Ciri-ciri Impedance-Single Core Round Head
    50Ω Ciri-ciri Impedance-Single Core Round Head
    Model Saiz (mm)
    A B C D E
    HS8740-1.38 (8.4-3.2) 8.7 4 1.38 8.4 3.2
    HS9430-1.5 (9-3) 9.4 3 1.5 9 3
    HS9430-1.5 (11-4) 9.4 3 1.5 11 4
    HS9640-1.5 (9.2-3.2) 9.6 4 1.5 9.2 3.2
    HS10050-1.7 (15-5) 10 5 1.7 15 5
    HS130100-3 (18-4) 13 10 3 18 4
  • Impedans Ciri 50Ω - Petua Pusingan Teras Tunggal
    Impedans Ciri 50Ω - Petua Pusingan Teras Tunggal
    Model Saiz (mm)
    A B C D E
    HS2330-0.23 (5.3-0.3) 2.3 3 0.23 5.3 0.3
    HS2815-0.3 (5.2-1.2) 2.8 1.5 0.3 5.2 1.2
    HS2815-0.3 (7.2-1.2) 2.8 1.5 0.3 7.2 1.2
    HS2635-0.3 (7.1-1.3) 2.6 3.5 0.3 7.1 1.3
    HS3822-0.5 (14.4-3.7) 3.8 2.2 0.5 14.4 3.7
    HS3525-0.5 (11.5-6) ​​ 3.5 2.5 0.5 11.5 6
  • Impedans ciri 50Ω - kepala rata teras tunggal
    Impedans ciri 50Ω - kepala rata teras tunggal
    Model Saiz (mm)
    A B C D E
    HS2516-0.38 (5.1-2) 2.5 1.6 0.38 5.1 2
    HS2516-0.38 (7.37-4.5) 2.5 1.6 0.38 7.37 4.5
    HS2517-0.38-01 2.5 1.7 0.38 2.7 0.65
    HS2520-0.38 (3.2-0.5) 2.5 2 0.38 3.2 0.5
    HS2525-0.38-01 2.5 2.5 0.38 3.65 0.65
    HS2530-0.38 (7.5-2.5) 2.5 3 0.38 7.5 2.5
    HS2816-0.45 (4.9-1.8) 2.8 1.6 0.45 4.9 1.8
    HS2816-0.45-01 2.8 1.6 0.45 5 3
    HS2816-0.45 (6-1.5) 2.8 1.6 0.45 6 1.5
    HS3030-0.5 (7.5-2) 3 3 0.5 7.5 2
  • Impedans ciri 50Ω - hujung bulat rata teras tunggal
    Impedans ciri 50Ω - hujung bulat rata teras tunggal
    Model Saiz (mm)
    A B C D E
    HS2006-0.3 (3.1-1.8) 2 0.6 0.3 3.1 1.8
    HS2010-0.3 (3.5-2) 2 1 0.3 3.5 2
    HS2020-0.3-01 2 2 0.3 3.7 0.6
    HS2035-0.3 (6.4-1.8) 2 3.5 0.3 6.4 1.8
    HS2816-0.45 (11.7-7.6) 2.8 1.6 0.45 11.7 7.6
    HS3020-0.5 (10-6.5) 3 2 0.5 10 6.5
    HS3216-0.5 (7.1-4) 3.2 1.6 0.5 7.1 4
    HS6448-1.0 (10.2-3.5) 6.4 4.8 1 10.2 3.5
  • KA2032-0.3 (4.5-1.3)
    KA2032-0.3 (4.5-1.3)
    Model
    KA2032-0.3 (4.5-1.3)
  • K2010-0.3 (1.05-0.05)
    K2010-0.3 (1.05-0.05)
    Model
    K2010-0.3 (1.05-0.05)
  • HS2510-0.3-02
    HS2510-0.3-02
    Model
    HS2510-0.3-02
  • HS3520-0.5 (3.4-0.3)
    HS3520-0.5 (3.4-0.3)
    Model
    HS3520-0.5 (3.4-0.3)
  • KA3216-0.5 (5.85-1.5)
    KA3216-0.5 (5.85-1.5)
    Model
    KA3216-0.5 (5.85-1.5)
  • K2515-0.38 (2.9-0.3)
    K2515-0.38 (2.9-0.3)
    Model
    K2515-0.38(2.9-0.3)
  • 2-K482515-0.38 (2.9-0.3)
    2-K482515-0.38 (2.9-0.3)
    Model
    2-K482515-0.38 (2.9-0.3)
  • KW2016-0.3 (0.7-1.6)
    KW2016-0.3 (0.7-1.6)
    Model
    KW2016-0.3 (0.7-1.6)
  • KW2016-0.3 (1-2.2)
    KW2016-0.3 (1-2.2)
    Model
    KW2016-0.3 (1-2.2)
  • KW2025-0.3 (1-2.2)
    KW2025-0.3 (1-2.2)
    Model
    KW2025-0.3 (1-2.2)
  • JPW2040-0.3-01
    JPW2040-0.3-01
    Model
    JPW2040-0.3-01
  • KW2018-0.3 (0.95-2.1)
    KW2018-0.3 (0.95-2.1)
    Model
    KW2018-0.3 (0.95-2.1)
  • Petua Bulat Teras Impedans-Single Ciri-ciri Non-50
    Petua Bulat Teras Impedans-Single Ciri-ciri Non-50
    Model Saiz (mm)
    A B C D E
    JD1515-0.4 (5-1.5) 1.5 1.5 0.4 5 5
    JD1615-0.4 (8-1.9) 1.6 1.5 0.4 8 8
    JD1616-0.4 (30-14.2) 1.6 1.6 0.4 30 30
    JD1614-0.45 (11.4-5) 1.6 1.4 0.45 11.4 11.4
    JD1616-0.45 (4.65-1.05) 1.6 1.6 0.45 4.65 4.65
    JD1616-0.45 (16-4) 1.6 1.6 0.45 16 16
    JD1616-0.45 (30-14.2) 1.6 1.6 0.45 30 30
    JD2020-0.45 (6.3-3) 2 2 0.45 6.3 6.3
    JD2020-0.45 (10-4) 2 2 0.45 10 10
    JD1614-0.5 (9-4) 1.6 1.4 0.5 9 9
    JD1616-0.5 (30-14.2) 1.6 1.6 0.5 30 30
    JD1619-0.5 (5.1-2) 1.6 1.9 0.5 5.1 5.1
    HS2015-0.5 (7.5-3) 2 1.5 0.5 7.5 7.5
    JD2016-0.5 (12-5.8) -R 2 1.6 0.5 12 12
    HS2018-0.5 (9.5-1.5) 2 1.8 0.5 9.5 9.5
    HS2018-0.5 (11.5-7.2) 2 1.8 0.5 11.5 11.5
    HS2030-0.5 (10-2) 2 3 0.5 10 10
    JD1919-0.6 (7.9-1.9) -r 1.9 1.9 0.6 7.9 7.9
  • Petua Bulat Teras Impedans-Single Ciri-ciri Non-50
    Petua Bulat Teras Impedans-Single Ciri-ciri Non-50
    Model Saiz (mm)
    A B C D E
    HS2040-0.6 (6-1) 2 4 0.6 6 1
    JD1818-0.7 (10-6) 1.8 1.8 0.7 10 6
    JD1818-0.7 (22.2-0.4) 1.8 1.8 0.7 22.2 0.4
    HS2016-0.7 (4.6-1.5) 2 1.6 0.7 4.6 1.5
    HS2016-0.7 (6.3-1.5) 2 1.6 0.7 6.3 1.5
    HS2016-0.7 (7.1-1.5) -r 2 1.6 0.7 7.1 1.5
    HS2016-0.7 (7.6-1.5) 2 1.6 0.7 7.6 1.5
    HS2016-0.7 (9.6-4) 2 1.6 0.7 9.6 4
    K2016-0.7 (11-4.6) 2 1.6 0.7 11 4.6
    HS2016-0.7 (11.6-5) 2 1.6 0.7 11.6 5
    HS2016-0.7 (17-15.1) 2 1.6 0.7 17 15.1
    HS2016-0.7 (20-0.3) 2 1.6 0.7 20 0.3
    HS2017-0.7 (9.7-3) 2 1.7 0.7 9.7 3
    HS2035-0.7 (13-3) 2 3.5 0.7 13 3
    HS2020-0.75 (12-4) 2 2 0.75 12 4
    HS2015-0.8 (6.5-3) 2 1.5 0.8 6.5 3
    JD2015-0.8 (10.5-3) 2 1.5 0.8 10.5 3
    JD2063-0.5 (10.3-2) 2 6.3 0.5 10.3 2
  • Petua Bulat Teras Impedans-Single Ciri-ciri Non-50
    Petua Bulat Teras Impedans-Single Ciri-ciri Non-50
    Model Saiz (mm)
    A B C D E
    JD2518-0.8 (12.8-5) 2.5 1.8 0.8 12.8 5
    JD2520-0.8 (14-4) 2.5 2 0.8 14 4
    JD2540-0.8 (10-4) 2.5 4 0.8 10 4
    JD3218-0.8 (51.8-20) 3.2 1.8 0.8 51.8 20
    JD2530-0.9 (6.6-1.8) 2.5 3 0.9 6.6 1.8
    JD2540A 2.5 4 0.8 10 4
    JD2816-1 (6.6-2) 2.8 1.6 1 6.6 2
    K2816-1.0 (16-10) 2.8 1.6 1 16 10
    JD3218-1 (27-15) 3.2 1.8 1 27 15
    JD3015-1.3 (10.2-6.1) 3 1.5 1.3 10.2 6.1
    JD3015-1.3 (10.5-3) 3 1.5 1.3 10.5 3
    JD3430-1.4 (10.5-4.5) 3.4 3 1.4 10.5 4.5
    JD12940-1.7 (10-3) 12.9 4 1.7 10 3
    JD3916-2 (6.6-2) 3.9 1.6 2 6.6 2
  • Ketua Flat Teras Impedans-Single Non-50 Appedans Single
    Ketua Flat Teras Impedans-Single Non-50 Appedans Single
    Model Saiz (mm)
    A B C D E
    JD1510-0.3-01 1.5 1 0.3 5.5 1.5
    JD1315-0.35-01 1.3 1.5 0.35 3.5 0.3
    JD1515-0.4 (4.5-0.5) 1.5 1.5 0.4 4.5 0.5
    JD1516-0.4-01 1.5 1.6 0.4 14.6 1
    JD1615-0.5 (7-0.5) 1.6 1.5 0.5 7 0.5
    JD1619-0.5 (8.7-3) 1.6 1.9 0.5 8.7 3
    JD1619-0.5 (10.3-4.6) 1.6 1.9 0.5 10.3 4.6
    JD2016-0.5 (4.5-0.6) 2 1.6 0.5 4.5 0.6
    JD2016-0.5 (12-5.8) 2 1.6 0.5 12 5.8
    JD2020-0.5-01 2 2 0.5 5.2 0.5
    JD2044-0.5 (6.3-0.4) 2 4.4 0.5 6.3 0.4
    JD1919-0.6 (7.9-1.9) 1.9 1.9 0.6 7.9 1.9
    RF2010-0.7 (6.0-3.0) 2 1 0.7 6 3
    JD2015-0.8 (6.5-3) 2 1.5 0.8 6.5 3
    RF2016-0.8 (6.6-4.5) 2 1.6 0.8 6.6 4.5
    JD2816-1 (10.3-4.9) 2.8 1.6 1 10.3 4.9
  • Petua Round Flat Impedance-Single Non-50 Ciri
    Petua Round Flat Impedance-Single Non-50 Ciri
    Model Saiz (mm)
    A B C D E
    RF1515-0.38 (2.9-0.3) 1.5 1.5 0.38 2.9 0.3
    JD1614-0.5 (17.9-0.5) 1.6 1.4 0.5 17.9 0.5
    JD1615-0.5 (9-2.5) 1.6 1.5 0.5 9 2.5
    JD2016-0.7 (8.1-4.5) 2 1.6 0.7 8.4 4.5
    JD2040-0.6 (10-4.5) 2 4 0.6 10 4.5
    JD2016-0.7 (9.1-2.5) 2 1.6 0.7 9.1 2.5
    JD2035-0.7 (22-3) 2 3.5 0.7 22 3
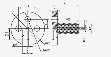
  • Impedans ciri bukan 50Ω - Jenis Kepala Kuku
    Impedans ciri bukan 50Ω - Jenis Kepala Kuku
    Model Saiz (mm)
    A B C D E F G
    JD1616-0.45 (4.2-1.5) 1.4 1.5 4.2 0.45 1.6 0.8 0.3
    JD1614-0.45 (6.2-0.8) 1.4 0.8 6.2 0.45 1.6 0.8 0.3
    JD1614-0.45 (6.9-1.5) 1.4 1.5 6.9 0.45 1.6 0.8 0.2
    JD1620-0.45 (7-1) 2 1 7 0.45 1.6 1 0.3
    JD1630-0.5 (7.5-0.5) 3 0.5 7.5 0.5 1.6 0.6 0.2
    JD1630-0.5 (10.5-0.5) 3 0.5 10.5 0.5 1.6 0.6 0.2
    JD1816-0.5 (20-0.5) 1.6 0.5 20 0.5 1.8 0.7 0.3
    JD2020B 2 2 0.6 5.7 1
  • JP2016-0.7 (7.1-1.5)
    JP2016-0.7 (7.1-1.5)
    Model
    JP2016-0.7 (7.1-1.5)

    Model Saiz (mm)
    A B C D E F G
    JD1614-0.45 (6.9-1.5) -r 1.4 1.5 6.9 0.45 1.6 0.8 0.2
    JD1630-0.5 (7.5-0.5) -r 3 0.5 7.5 0.5 1.6 0.6 0.2
  • Impedans ciri bukan 50Ω - Jenis Kepala Kuku
    Impedans ciri bukan 50Ω - Jenis Kepala Kuku
    Model Saiz (mm)
    A B C D E F G
    JD1614-0.45 (6.9-1.5) -r 1.4 1.5 6.9 0.45 1.6 0.8 0.2
    JD1630-0.5 (7.5-0.5) -r 3 0.5 7.5 0.5 1.6 0.6 0.2
  • JD1516-0.4-02
    JD1516-0.4-02
    Model
    JD1516-0.4-02
  • RF1816-0.8 (6.6-4.5) -2
    RF1816-0.8 (6.6-4.5) -2
    Model
    RF1816-0.8 (6.6-4.5) -2
  • 2-RF281515-0.38 (2.9-0.3)
    2-RF281515-0.38 (2.9-0.3)
    Model
    2-RF281515-0.38 (2.9-0.3)
  • 2-RF301516-0.5 (5.85-1.5)
    2-RF301516-0.5 (5.85-1.5)
    Model
    2-RF301516-0.5 (5.85-1.5)
  • JD301520-0.5-01
    JD301520-0.5-01
    Model
    JD301520-0.5-01
  • JD301515-0.5-01
    JD301515-0.5-01
    Model
    JD301515-0.5-01
  • JD201315-0.35-01
    JD201315-0.35-01
    Model
    JD301515-0.5-01
  • JD271516-0.4-02
    JD271516-0.4-02
    Model
    JD271516-0.4-02
  • JD271516-0.4-01
    JD271516-0.4-01
    Model
    JD271516-0.4-01
  • JD2615-0.35-01
    JD2615-0.35-01
    Model
    JD2615-0.35-01
  • 3-RF411515-0.38 (2.9-0.3)
    3-RF411515-0.38 (2.9-0.3)
    Model
    3-RF411515-0.38 (2.9-0.3)
  • 3-RF421516-0.5 (5.85-1.5)
    3-RF421516-0.5 (5.85-1.5)
    Model
    3-RF421516-0.5 (5.85-1.5)
  • JD261516-0.3-01
    JD261516-0.3-01
    Model
    JD261516-0.3-01
  • JD391516-0.4-01
    JD391516-0.4-01
    Model
    JD391516-0.4-01
  • JD2815-0.35-01
    JD2815-0.35-01
    Model
    JD2815-0.35-01
  • RF3416-0.8 (6.6-4.5) -4
    RF3416-0.8 (6.6-4.5) -4
    Model
    RF3416-0.8 (6.6-4.5) -4
  • 4-RF3416-0.5 (5.85-1.5)
    4-RF3416-0.5 (5.85-1.5)
    Model
    4-RF3416-0.5 (5.85-1.5)
  • JD341315-0.35-01
    JD341315-0.35-01
    Model
    JD341315-0.35-01
  • JD272716-0.4-01
    JD272716-0.4-01
    Model
    JD272716-0.4-01
  • JD511516-0.4-01
    JD511516-0.4-01
    Model
    JD511516-0.4-01
  • JD2016-0.3-01
    JD2016-0.3-01
    Model
    JD2016-0.3-01
  • JD3115-0.35-01
    JD3115-0.35-01
    Model
    JD3115-0.35-01
  • JD631516-0.4-01
    JD631516-0.4-01
    Model
    JD631516-0.4-01
  • RF1816-0.8 (6.6-4.5) -6
    RF1816-0.8 (6.6-4.5) -6
    Model
    RF1816-0.8 (6.6-4.5) -6
  • 6-RF811515-0.5 (0.5-8.2)
    6-RF811515-0.5 (0.5-8.2)
    Model
    6-RF811515-0.5 (0.5-8.2)
  • 6-RF821515-0.5 (5.5-2.5)
    6-RF821515-0.5 (5.5-2.5)
    Model
    6-RF821515-0.5 (5.5-2.5)
  • JD501516-0.4-01
    JD501516-0.4-01
    Model
    JD501516-0.4-01
  • JD811520-0.5-0.1
    JD811520-0.5-0.1
    Model
    JD811520-0.5-0.1
  • 7-RF941515-0.5 (5.5-2.5)
    7-RF941515-0.5 (5.5-2.5)
    Model
    7-RF941515-0.5 (5.5-2.5)
  • JD1201515-0.5-01
    JD1201515-0.5-01
    Model
    JD1201515-0.5-01
  • JMC-265-JH
    JMC-265-JH
    Model
    JMC-265-JH
  • JD1201515-0.5-02
    JD1201515-0.5-02
    Model
    JD1201515-0.5-02
  • RF1816-0.8 (6.6-4.5) -9
    RF1816-0.8 (6.6-4.5) -9
    Model
    RF1816-0.8 (6.6-4.5) -9
  • JYZ22-0.45-01
    JYZ22-0.45-01
    Model
    JYZ22-0.45-01
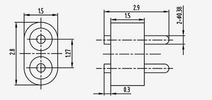
  • Impedans ciri bukan 50Ω-pelbagai teras
    Impedans ciri bukan 50Ω-pelbagai teras
    Model Saiz (mm)
    A B C D E F G H tarik-tarik baris Penamatan
    JD156018-0.3 (27.2-0.8) -8 27.2 0.8 1.4 6 1.8 0.6 0.3 0 8 1 Ikatan muka atas konduktor dalaman
    JD151152-0.3 (4.5-1.5) -9 4.5 1.5 1.5 11.5 2 1.27 0.3 0 9 1 Pematerian
    2-JD162020-0.3 (5-1.7) -4 A1 = 5
    A2 = 3.6
    B1 = 1.7
    B2 = 1
    1.6 2 2 0.57 0.3 0.57 4 2 Ikatan rata di kedua -dua belah konduktor dalaman
    2-JD162020-0.3 (7.6-1.7) -4 A1 = 7.6
    A2 = 3.6
    B1 = 1.7
    B2 = 1
    1.6 2 2 0.57 0.3 0.56 4 2 Ikatan rata di kedua -dua belah konduktor dalaman berakhir
    JD158215-0.38 (7-0.8) -6 7 0.8 1.5 8.2 1.5 1.27 0.38 0 6 1 Ikatan muka kepala kuku atas
    JD153015-0.38 (8-1.9) -2 8 1.9 1.5 3 1.5 1.27 0.38 0 2 1 Dikimpal
    2-JD162525-0.38 (10.6-3.5) -4 10.6 3.5 1.6 2.5 2.5 0.71 0.38 0.71 4 2 Pematerian
    2-JD187425-0.38 (3.8-1) -16 A1 = 3.8
    A2 = 5.2
    B1 = 1
    B2 = 1.7
    1.8 7.4 2.5
    4
    0.88 0.38 1.02 16 2 Konduktor batin berakhir rata dan terikat ke sisi
    JD1510516-0.45 (7.5-2) -8 7.5 2 1.5 10.5 1.6 1.27 0.45 0 8 1 Pematerian
    JD1555515-0.5 (5.7-1.7} -4 5.7 1.7 1.5 5.5 1.5 1.27 0.5 0 4 1 Konduktor dalaman bahagian atas ikatan rata
    JD1512015-0.5 (5.8-2.5) -9 5.8 2.5 1.5 12 1.5 1.27 0.5 0 9 1 Konduktor dalaman yang lebih rendah mengikat ikatan sampingan
    JD153015-0.5 (7-0.5) -2 7 0.5 1.5 3 1.5 1.27 0.5 0 2 1 Ikatan konduktor dalaman berakhir
  • Impedans ciri bukan 50Ω-pelbagai teras
    Impedans ciri bukan 50Ω-pelbagai teras
    Model Saiz (mm)
    A B C D E F G H tarik-tarik baris Penamatan
    JD153815-0.5 (7.7-1.2) -2 7.7 1.2 1.5 3.8 1.5 2.1 0.5 0 2 1 Konduktor dalaman bahagian atas ikatan rata
    JD153015-0.5 (13.5-4) -2 13.5 4 1.5 3 1.5 1.27 0.5 0 2 1 Kimpalan
    JD1613215-0.5 (10.6-2) -10 10.6 2 1.6 13.2 1.5 1.27 0.5 0 10 1 Pematerian
    JD302915-0.5 (8-1) -2 8 1 3 2.9 1.5 1.27 0.5 0 2 1 Ikatan muka atas konduktor dalaman
    2-JD165528-0.5 (7.6-1) -8 7.6 1 1.6 5.5 2.8 1.07 0.5 0 8 2 Ikatan muka atas konduktor dalaman
    2-JD154330-0.5 (5.8-2) -5 Al = 5.8
    A2 = 5.1
    B1 = 2
    B2 = 1.3
    1.5 4.3 3 1.27 0.5 1.5 5 2 Solder Upper Side Flattening
    2-JD156830-0.5 (5.8-2) -9 Al = 5.8
    A2 = 5.1
    B1 = 2
    B2 = 1.3
    1.5 6.8 n 1.27 0.5 1.5 6 2 Weld meratakan bahagian atas konduktor dalaman
    2-JD1512030-0.5 (9.3-2.8) -18 A1 = 9.3
    A2 = 8
    B1 = 2.8
    B2 = 1.5
    1.5 12 3 1.27 0.5 1.5 18 2 Kimpalan Flattening of inner conductor ends
    3-JD155545-0.5 (9.5-4) -12 Al = 9.5
    A2 = 7.5
    A3 = 5.5
    B1 = 4
    B2 = 3
    B3 = 2
    1.5 5.5 4.5 1.27 0.5 1.5 12 3 Pematerian
    2-JD207015-0.6 (7-3) -10 A1 = 7
    A2 = 6
    B1 = 3
    B2 = 2
    2 7 1.5 1.27 0.6 1.5 10 2 Konduktor dalaman meratakan dan terikat di kedua -dua belah pihak
    2-JD3012230-0.6 (10.8-5) 18 10.8 5 3 12.2 3 1.27 0.6 1.5 18 2 Sisi konduktor dalaman yang lebih rendah yang diratakan ikatan
  • JYZ22-0.45-02
    JYZ22-0.45-02
    Model
    JYZ22-0.45-02

Terus berhubung

Hantar
Mengenai kita
Ningbo Hanson Communication Technology Co., Ltd.
Ningbo Hanson Communication Technology Co., Ltd.
Ningbo Hanson Communication Technology Co., Ltd. is China Penebat kaca RF Supplier and Custom Penebat kaca RF Company. We are a manufacturer specializing in the production, processing, and trade of communication components, with more than 30 years of experience in RF coaxial connectors, adapters, and cable assemblies. Syarikat itu kini telah membangunkan bengkel pemesinannya sendiri, bengkel elektroplating, bengkel pemasangan, dan sekumpulan pembekal yang stabil dan boleh dipercayai. Tujuan syarikat adalah untuk menyediakan pelanggan dengan produk berkualiti tinggi. Produk utama adalah penyambung sepaksi RF, penyesuai, perhimpunan kabel frekuensi tinggi, dan pemasangan kabel intermodulasi yang rendah. Di samping itu, Syarikat juga boleh menyediakan perkhidmatan untuk pelanggan dengan keperluan tersuai untuk memenuhi keperluan khas pelanggan untuk produk. Produk syarikat digunakan secara meluas di aeroangkasa, stesen asas komunikasi, peralatan perubatan, dan bidang berteknologi tinggi yang lain. Pada masa pembaharuan perusahaan, inovasi, pembangunan, dan pertumbuhan, syarikat mengambil inisiatif untuk menyertai sistem pengurusan kualiti antarabangsa ISO9001 dan terus meningkatkan tahap pengurusan untuk menyediakan produk dan perkhidmatan yang lebih memuaskan kepada pelanggan baru dan lama.
Berita terkini
Mencari peluang perniagaan?

Meminta panggilan hari ini