OEM SMP penyambung hermetically dimeteraikan Supplier

Ningbo Hanson Communication Technology Co., Ltd. Rumah / Produk / Siri hermetically dimeteraikan / SMP penyambung hermetically dimeteraikan

SMP penyambung hermetically dimeteraikan

Penerangan:

SMP-J Jenis penyambung hermetik RF hermetik mempunyai ciri-ciri pembungkusan hermetik dan boleh dibungkus dan dikimpal pada shell tiub atau panel peranti. Konduktor shell dan dalaman produk ini diperbuat daripada bahan aloi Kovar, dan permukaannya boleh dilapisi dengan emas keras atau emas lembut; Medium penebat diperbuat daripada kaca sintered pada suhu tinggi, dan pemalar dielektrik adalah kira -kira 4. Ia mempunyai kelebihan saiz kecil, ringan, pengedap hermetik, kebolehpercayaan yang tinggi, dan lain -lain.

Bertanya

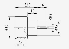
Struktur Asas:
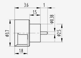
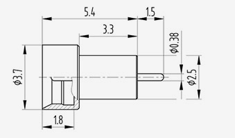
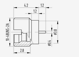
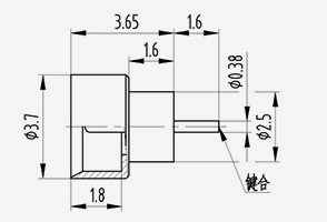
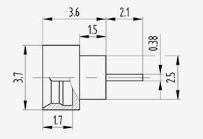
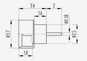
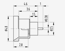
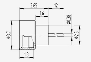
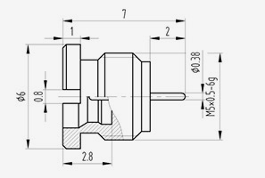
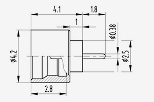
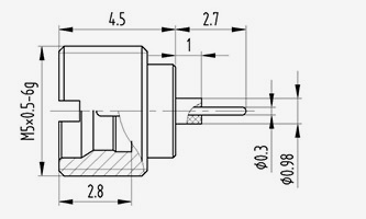
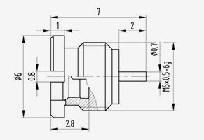
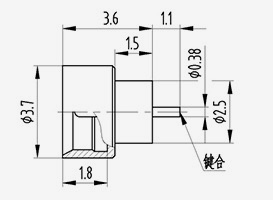
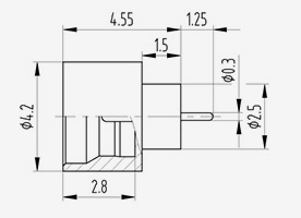
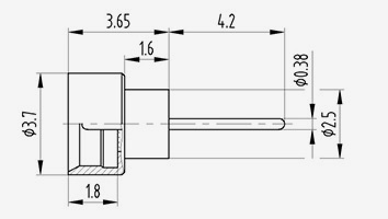
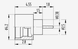
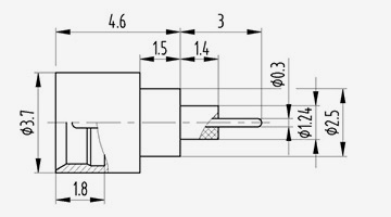
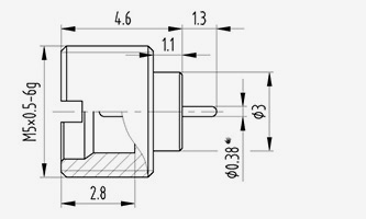
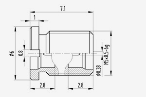
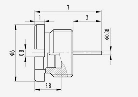
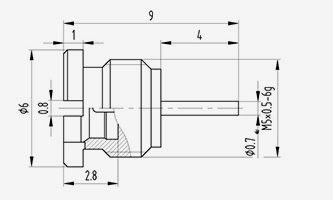
SMP-J jenis penyambung sepaksi RF yang dimeteraikan udara biasanya terdiri daripada tiga bahagian: konduktor luar, konduktor medium dan dalaman kaca, dan struktur asas ditunjukkan dalam angka tersebut.

Apabila bahagian yang terdedah dari konduktor dalaman produk disambungkan dengan penyisipan atau kimpalan permukaan, muka akhir konduktor dalaman dapat dihasilkan sebagai kepala sfera; Apabila bahagian yang terdedah dari konduktor dalaman produk dihubungkan dengan ikatan, muka akhir konduktor dalaman dapat dihasilkan sebagai kepala rata atau sisi bahagian yang terdedah dari konduktor batin dapat digiling.

PArameter Teknikal Utama:

Ciri -ciri elektrik
Impedans ciri 50Ω Julat kekerapan DC ~ 40GHz
Dielektrik bertahan voltan 500VRMS Rintangan penebat 2000m Ω
Voltan VSWR <1.4 Kehilangan penyisipan ≤0.05 √f DB (GHz)
Bahan dan mekanikal, sifat alam sekitar
Selongsong Lavable Alloy/Gold Plated Pin Pasang thorium Penyaduran emas aloi yang boleh dipercayai
Medium penebat Kaca Ketahanan penyambung Penahanan penuh ≥100 kali
Kadar kebocoran ≤1.01325 × 10 Pa · M³/s Penahanan terhad ≥500 kali
Suhu operasi -65 ℃ ~ 165 ℃ Lancar ≥1000 kali

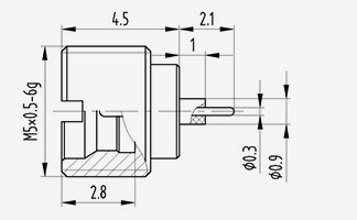
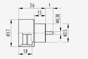
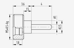
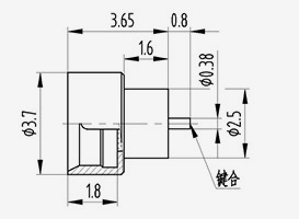
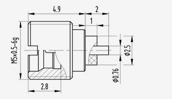
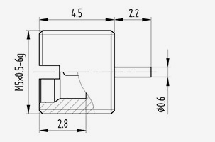
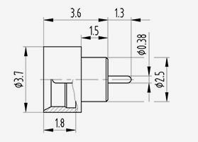
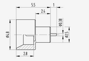
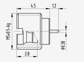
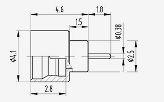
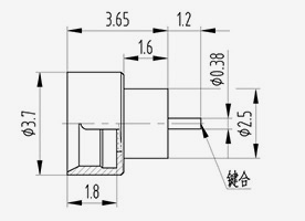
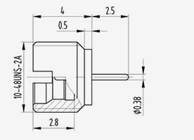
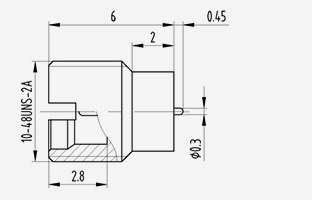
Dimensi antara muka:
SMP-J Jenis Penyambung Coaxial RF yang dimeterai udara mempunyai tiga bentuk antara muka: pelarian penuh, separuh pelarian, dan lubang cahaya. Apabila menamakan model, F bermaksud pelarian penuh, L bermaksud separuh pelarian, dan s bermaksud lubang cahaya. Dimensi antara muka dibahagikan kepada dimensi antara muka standard dan dimensi antara muka pendek, yang kedua-duanya boleh interma dengan palam jenis SMP-K.

Saiz antara muka standard:

Saiz antara muka pendek:

SMP SERIES
  • SMP (M) -JYD3S
    SMP (M) -JYD3S
    Model Catatan
    SMP (M) -JYD3S Lancar
  • SMP (M) -JYD6L
    SMP (M) -JYD6L
    Model Catatan
    SMP (M) -JYD6L Penahanan terhad
  • SMP (M) -JYD12L
    SMP (M) -JYD12L
    Model Catatan
    SMP (M) -JYD12L Penahanan penuh
  • SMP (M) -JYD13F
    SMP (M) -JYD13F
    Model Catatan
    SMP (M) -JYD13F Penahanan penuh
  • SMP (M) -JYD14L
    SMP (M) -JYD14L
    Model Catatan
    SMP (M) -JYD14L Penahanan terhad
  • SMP (M) -JYD17S
    SMP (M) -JYD17S
    Model Catatan
    SMP (M) -JYD17S Lancar
  • SMP (M) -JYD19L
    SMP (M) -JYD19L
    Model Catatan
    SMP (M) -JYD19L Penahanan terhad
  • SMP (M) -JYD22S
    SMP (M) -JYD22S
    Model Catatan
    SMP (M) -JYD22S Penahanan terhad
  • SMP (M) -JYD23S
    SMP (M) -JYD23S
    Model Catatan
    SMP (M) -JYD23S Penahanan terhad
  • SMP (M) -JYD24S
    SMP (M) -JYD24S
    Model Catatan
    SMP (M) -JYD24S Penahanan terhad
  • SMP (M) -JYD25L
    SMP (M) -JYD25L
    Model Catatan
    SMP (M) -JYD25L Penahanan terhad
  • SMP (M) -JYD26L
    SMP (M) -JYD26L
    Model Catatan
    SMP (M) -JYD26L Penahanan terhad
  • SMP (M) -JYD27L
    SMP (M) -JYD27L
    Model Catatan
    SMP (M) -JYD27L Penahanan terhad
  • SMP (M) -JYD28L
    SMP (M) -JYD28L
    Model Catatan
    SMP (M) -JYD28L Penahanan terhad
  • SMP (M) -JYD29L
    SMP (M) -JYD29L
    Model Catatan
    SMP (M) -JYD29L Penahanan terhad
  • SMP (M) -JYD30L
    SMP (M) -JYD30L
    Model Catatan
    SMP (M) -JYD30L Penahanan terhad
  • SMP (M) -JYD31L
    SMP (M) -JYD31L
    Model Catatan
    SMP (M) -JYD31L Penahanan terhad
  • SMP (M) -JYD32F
    SMP (M) -JYD32F
    Model Catatan
    SMP (M) -JYD32F Penahanan terhad
  • SMP (M) -JYD33L
    SMP (M) -JYD33L
    Model Catatan
    SMP (M) -JYD33L Penahanan terhad
  • SMP (M) -JYD34L
    SMP (M) -JYD34L
    Model Catatan
    SMP (M) -JYD34L Penahanan terhad
  • SMP (M) -JYD35L
    SMP (M) -JYD35L
    Model Catatan
    SMP (M) -JYD35L Penahanan terhad
  • SMP (M) -JYD37L
    SMP (M) -JYD37L
    Model Catatan
    SMP (M) -JYD37L Penahanan terhad
  • SMP (M) -JYD41L
    SMP (M) -JYD41L
    Model Catatan
    SMP (M) -JYD41L Penahanan terhad
  • SMP (M) -JYD42S
    SMP (M) -JYD42S
    Model Catatan
    SMP (M) -JYD42S Penahanan terhad
  • SMP (M) -JYD43L
    SMP (M) -JYD43L
    Model Catatan
    SMP (M) -JYD43L Penahanan terhad
  • SMP (M) -JYD44L
    SMP (M) -JYD44L
    Model Catatan
    SMP (M) -JYD44L Penahanan terhad
  • SMP (M) -JYD45L
    SMP (M) -JYD45L
    Model Catatan
    SMP (M) -JYD45L Penahanan terhad
  • SMP (M) -JYD46L
    SMP (M) -JYD46L
    Model Catatan
    SMP (M) -JYD46L Penahanan terhad
  • SMP (M) -JYD47L
    SMP (M) -JYD47L
    Model Catatan
    SMP (M) -JYD47L Penahanan terhad
  • SMP (M) -JYD48L
    SMP (M) -JYD48L
    Model Catatan
    SMP (M) -JYD48L Penahanan terhad
  • SMP (M) -JYD49L
    SMP (M) -JYD49L
    Model Catatan
    SMP (M) -JYD49L Penahanan terhad
  • SMP (M) -JYD50S
    SMP (M) -JYD50S
    Model Catatan
    SMP (M) -JYD50S Lancar
  • SMP (M) -JYD51L
    SMP (M) -JYD51L
    Model Catatan
    SMP (M) -JYD51L Penahanan terhad
  • SMP (M) -JYD52S
    SMP (M) -JYD52S
    Model Catatan
    SMP (M) -JYD52S Lancar
  • SMP (M) -JYD53L
    SMP (M) -JYD53L
    Model Catatan
    SMP (M) -JYD53L Penahanan terhad
  • SMP (M) -JYD54S
    SMP (M) -JYD54S
    Model Catatan
    SMP (M) -JYD54S Lancar
  • SMP (M) -JYD55L
    SMP (M) -JYD55L
    Model Catatan
    SMP (M) -JYD55L Penahanan terhad
  • SMP (M) -JYD57S
    SMP (M) -JYD57S
    Model Catatan
    SMP (M) -JYD57S Lancar
  • SMP (M) -JYD80L
    SMP (M) -JYD80L
    Model Catatan
    SMP (M) -JYD80L Penahanan terhad
  • SMP (M) -JYD81L
    SMP (M) -JYD81L
    Model Catatan
    SMP (M) -JYD81L Penahanan terhad
  • SMP (M) -JYD82L
    SMP (M) -JYD82L
    Model Catatan
    SMP (M) -JYD82L Penahanan terhad
  • SMP (M) -JYD83F
    SMP (M) -JYD83F
    Model Catatan
    SMP (M) -JYD83F Penahanan penuh
  • SMP (M) -JYD84S
    SMP (M) -JYD84S
    Model Catatan
    SMP (M) -JYD84S Lancar
  • SMP (M) -JYD85S
    SMP (M) -JYD85S
    Model Catatan
    SMP (M) -JYD85S Lancar
  • SMP (M) -JYD86L
    SMP (M) -JYD86L
    Model Catatan
    SMP (M) -JYD86L Penahanan terhad
  • SMP (M) -JYD87S
    SMP (M) -JYD87S
    Model Catatan
    SMP (M) -JYD87S Lancar
  • SMP (M) -JYD88L
    SMP (M) -JYD88L
    Model Catatan
    SMP (M) -JYD88L Penahanan terhad
  • SMP (M) -JYD89L
    SMP (M) -JYD89L
    Model Catatan
    SMP (M) -JYD89L Penahanan terhad
  • SMP (M) -JYD90L
    SMP (M) -JYD90L
    Model Catatan
    SMP (M) -JYD90L Penahanan terhad
  • SMP (M) -JYD91L
    SMP (M) -JYD91L
    Model Catatan
    SMP (M) -JYD91L Penahanan terhad
  • SMP (M) -JYD92L
    SMP (M) -JYD92L
    Model Catatan
    SMP (M) -JYD92L Penahanan terhad
  • SMP (M) -JYD93S
    SMP (M) -JYD93S
    Model Catatan
    SMP (M) -JYD93S Lancar
  • SMP (M) -JYD94L
    SMP (M) -JYD94L
    Model Catatan
    SMP (M) -JYD94L Penahanan terhad
  • SMP (M) -JYD95L
    SMP (M) -JYD95L
    Model Catatan
    SMP (M) -JYD95L Penahanan terhad
  • SMP (M) -JYD96L
    SMP (M) -JYD96L
    Model Catatan
    SMP (M) -JYD96L Penahanan terhad
  • SMP (M) -JYD97S
    SMP (M) -JYD97S
    Model Catatan
    SMP (M) -JYD97S Lancar
  • SMP (M) -JYJ1S
    SMP (M) -JYJ1S
    Model Catatan
    SMP (M) -JYJ1S Lancar

Terus berhubung

Hantar
Mengenai kita
Ningbo Hanson Communication Technology Co., Ltd.
Ningbo Hanson Communication Technology Co., Ltd.
Ningbo Hanson Communication Technology Co., Ltd. is China SMP penyambung hermetically dimeteraikan Supplier and Custom SMP penyambung hermetically dimeteraikan Company. We are a manufacturer specializing in the production, processing, and trade of communication components, with more than 30 years of experience in RF coaxial connectors, adapters, and cable assemblies. Syarikat itu kini telah membangunkan bengkel pemesinannya sendiri, bengkel elektroplating, bengkel pemasangan, dan sekumpulan pembekal yang stabil dan boleh dipercayai. Tujuan syarikat adalah untuk menyediakan pelanggan dengan produk berkualiti tinggi. Produk utama adalah penyambung sepaksi RF, penyesuai, perhimpunan kabel frekuensi tinggi, dan pemasangan kabel intermodulasi yang rendah. Di samping itu, Syarikat juga boleh menyediakan perkhidmatan untuk pelanggan dengan keperluan tersuai untuk memenuhi keperluan khas pelanggan untuk produk. Produk syarikat digunakan secara meluas di aeroangkasa, stesen asas komunikasi, peralatan perubatan, dan bidang berteknologi tinggi yang lain. Pada masa pembaharuan perusahaan, inovasi, pembangunan, dan pertumbuhan, syarikat mengambil inisiatif untuk menyertai sistem pengurusan kualiti antarabangsa ISO9001 dan terus meningkatkan tahap pengurusan untuk menyediakan produk dan perkhidmatan yang lebih memuaskan kepada pelanggan baru dan lama.
Berita terkini
Mencari peluang perniagaan?

Meminta panggilan hari ini